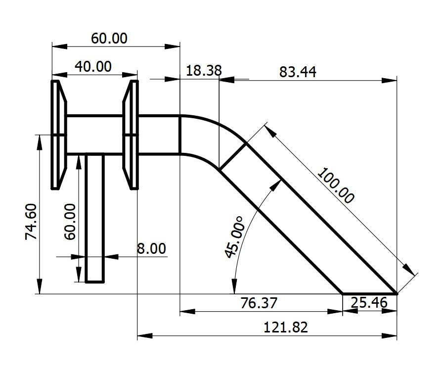
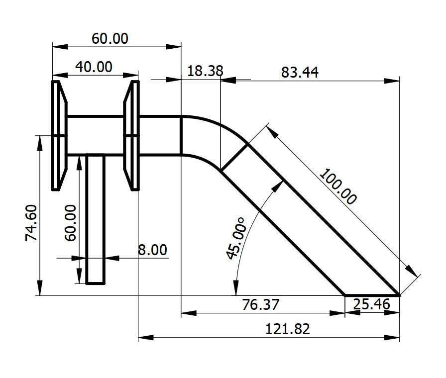
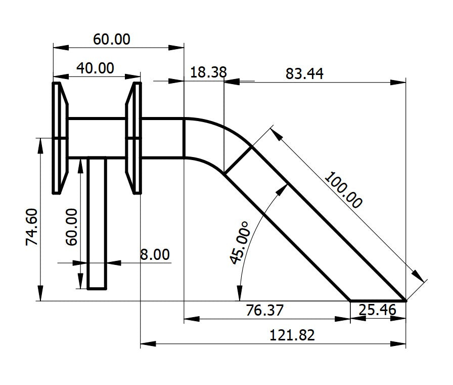
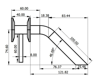
Racking Arm Tri-Clamp 1.5" x 3/4" 45°
Racking Arm Tri-Clamp 1.5" x 3/4" 45°
Out of stock
- Delivery time: 2-5 Workdays
Couldn't load pickup availability
SKU:
SKU:TFK28443

Product Description
This Tri-Clamp racking arm has a handle that makes rotation easier and also indicates the current position of the arm in the fermenter.
- Inner diameter 16 mm
- Tri-Clamp size 50.5 mm = 1.5"
This fitting is suitable for all bottom drain kettles, either with ring element or with straight elements. When used with a straight element you can rotate the fitting 360 degrees. With a ring element, the fitting will not go past 90 degrees as it will hit the heating element.
To make the rotation easy, use a PTFE gasket. Loosen the clamp 1/4 turn and rotate, then tighten. Always be careful!
At the lowest point in the kettle, the following volumes remain in the domed bottom after draining:
| Kettle | Volume |
| 40L | 1.2 L |
| 60L | 1.0 L |
| 85L | 1.4 L |
| 115L | 2.0 L |
Note, in the 40L kettle the outlet will hit the bottom of the kettle, it cannot be rotated completely vertically down.
Other dimensions are shown above. This fitting will not work as a dip tube in our flat bottom kettles, it is too tall and will hit the bottom of the kettle.
Note: Manufactured to good engineering practice (GEP) per Article 4(3) of Directive 2014/68/EU. CE marking not required.
⚠️ Safety Information
Manufacturer: Craft Hardware, Kreuzeckstr 9a 86163 Augsburg, https://www.crafthardware.de/
Wishlist
- Choosing a selection results in a full page refresh.
- Opens in a new window.